proteus8.9下载破解版
- 软件介绍
- 软件截图
- 其他版本
- 相关阅读
- 网友评论
- 下载地址
光行资源网提供的proteus是一款十分技术专业的电路设计软件,集电路原理图、调节、协作模拟仿真等诸多作用于一身,能够 达到大伙儿在电路设计层面的人性化要求。此次为大伙儿产生的是proteus8.0简体中文版破解版,全部作用完全免费应用,中文页面不论是了解或是实际操作都是会更为的简易非常容易,期待大伙儿会喜爱。
proteus现阶段早已被单片机设计发烧友、从业人员及其课堂教学工作人员普遍应用,内嵌上千百种电子器件及其30好几个元器件封装,点击鼠标就可以立即应用,不用独立制作,让模拟仿真全过程更为的高效率方便快捷。

proteus安装教程:
1、右击软件压缩包选择解压到“Proteus8.9”。

2、在解压文件夹中找到Proteus_8.9_SP2_Pro,右击打开。

3、点击Browse更改安装路径,建议安装在除C盘以外的磁盘,可以在D盘或者其他盘新建一个Proteus 8.6文件夹,然后点击Next。

4、点击Next。

5、安装中(等待5分钟左右)。

6、点击Finish。

7、在解压文件夹中找到Translations文件夹,鼠标右击选择复制。

8、在D盘中找到Proteus 8.9,右击打开。

9、在空白处,鼠标右击选择粘贴。

10、点击是。

11、勾选为之后26个冲突执行此操作,然后点击复制和替换。

12、在桌面找到Proteus 8Professional,右击打开。

13、安装完成!
proteus汉化教程:
1、打开proteus8.9,点击system,点击第三项:Repair language pack(如下图)

2、 弹出对话框选第二项:select language pack(如下图)

3、选择下载好的proteus8.9lamguagepack.zip,确定。如下图会弹出两个对话框分别是安装成功和要求手动重启proteus。

4、OK完成了!手动重启后会发现软件有中文显示了。

proteus使用教程:
1、运行Proteus,默认打开一个空白工程。界面介绍见下图:

2、选择菜单【File>Save Design】,保存工程为LEDCtrl.dsn,保存到一个新建的工程文件夹LEDCtrl里。
技巧:每个工程对应一个文件夹,方便文件管理。
3、添加元件到元件列表库。单击切换到组件模式后,单击P按钮打开Pick Devices 对话框,在Keywords栏输入元件符号,双击搜索结果中要添加的元件即可。

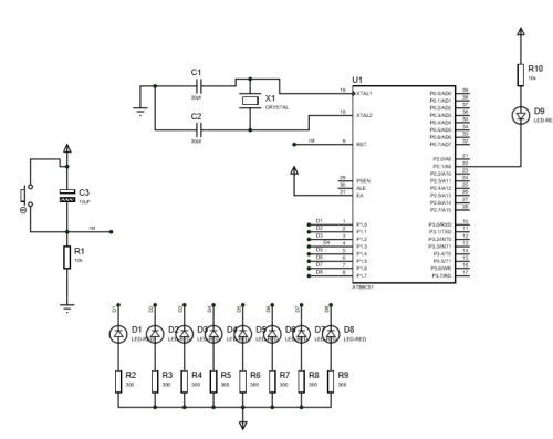
4、放置元器件。放置顺序:单片机->时钟电路->复位电路->LED驱动电路,原则是由大到小,由左至右。
放置方法:在元件列表选择要放置的元件,单击画布空白区,通过鼠标移动元件到放置地单击即可,若右击则取消放置。

放大/缩小画布:鼠标滚轮,向前放大,向后缩小。
快速定位:单击预览区,移动鼠标,再次单击确认。
拖动元件:单击元件,拖到到新位置,再单击空白处。
5、连线。
直接连线:鼠标移动到引脚端子,出现红色虚框后左击确定连线起点,移动鼠标到另一个端子或已有连线处后单击。中间可以单击空白处添加点来确定连线路径。

标号连线:a.?鼠标移动到引脚端子,单击确定起点,双击确定终点。b.使用LBL工具给引线命名(标号)。标号相同的引线将在物理上连接在一起。

6、修改元件的属性(电阻值、电容值、晶体频率)。
示例:

画好的电路图如下图所示:

7、关联仿真程序(.hex)。
程序编写及编译过程见“Keil基本操作”。

8、仿真。
开始仿真:单击开始仿真按钮开始仿真。管脚/节点电平,红色表示高电平,蓝色表示低电平,灰色表示高阻。
暂停仿真:单击暂停仿真按钮。暂停状态可以通过Debug菜单查看单片机的特殊寄存器和内部RAM内容。
停止仿真:单击停止仿真按钮。当代码改变,重新生成.hex后,停止仿真再开始仿真即可,无需再次关联.hex文件。
proteus特色介绍:
1、专业的电路仿真软件;
2、提供全方位的设计功能,满足单片机设计需求;
3、符合单片机软件仿真系统的标准。
4、具有多种仿真模板和虚拟仪器。
5、支持数十种单片机类型。
6、支持大量的存储器和外围芯片。
特色功能
proteus,是一款非常专业的电路仿真软件!集原理图、调试、协同仿真等众多功能于一身,可以满足大家在电路仿真方面的个性化需求。本次为大家带来的是proteus8.0汉化破解版,所有功能完全免费使用,全中文界面无论是理解还是操作都会更加的简单容易,希望大家会喜欢。专业的电路仿真软件;,符合单片机软件仿真系统的标准。
- 下载地址(pc版)
- 网盘下载
- proteus安装包百度云2020下载v8.0 250.1M 查看详情
- Proteus下载 V8.7 正版正式版(含使用教程)免费下载 371.9MB 查看详情
- proteus7.5软件完美汉化破解版下载 63.18MB 查看详情
- proteus8.6破解版下载安装 248MB 查看详情
- proteus 8.12 pro破解版 v1.0 汉化版(附安装教程) 582MB 查看详情
- Proteus单片机仿真软件 v7.10 终身免费版 101.40 MB 查看详情
人气下载推荐
-
浩辰CAD2020下载附注册激活码永久破解版
下载
-
四维星装修设计软件免费下载V20.12破解版
下载
-
suapppro2021激活授权版下载v3.4
下载
-
altiumdesigner9下载v9.4.0破解版
下载
-
CharacterCreator免费下载v3.32.3破解版(附破解教程)
下载
-
feflow中文下载v7.0破解版完整版
下载
-
AltairHyperWorks最新下载v2020.1.1破解版(附破解补丁)
下载
-
orcadcapture下载v17.40.003破解版
下载
-
Proe5.0破解版下载百度云网盘资源野火版
下载
-
proteus8.9下载破解版
下载
-
materialsstudio8.0下载百度网盘分享破解版
下载
-
CAD迷你画图vip破解版下载v2021R2实用版
下载

小小突击队游戏
专业射手FRAG
香肠派对正版手戏
最终幻想7第一士兵app
推理学院手游安卓版
迷你城堡小镇新房游戏
俄罗斯方块环游记2022
2022冬奥滑雪冒险(OlympicGamesJam2022)
跳台滑雪大冒险SkiJumpingPro安卓版
土耳其警车(TürkPolisArabaOyunu)安卓版
真实刺激驾驶游戏
女神联盟2手游
浮生为卿歌安卓版
逃出银河系安卓版
幻境双生安卓版
坦克世界闪击战安卓版
银河掠夺者手游2022
王牌战争游戏2022






























